鄂尔多斯高速公路视频监控光纤传输系统设计方案
近年来随着社会的发展,安防技术也在不断的成熟与完善,安防正朝着网络化、高清化与智能化迈进。高速公路视频监控系统也不例外,但是高速公路监控系统庞大,距离遥远,信号错综复杂,对系统的稳定性、应用的灵活性均提出了更高的要求,因此要实现高速公路视频监控系统的网络化、高清化与智能化,搭建智能型、稳定性、实用性、先进性、可靠性、可扩展性、灵活性的光纤传输系统成为了重中之重。本文提出的方案,是针对内蒙古鄂尔多斯高速公路而设计的光纤传输方案。

一、客户需求
2.1系统构成
根据实际需求情况,鄂尔多斯市高速公路视频监控系列光纤传输系统的建设主要包括:一个总监控管理中心,三个分监控管理中心(其中一个设为总监控中心),七对高速公路服务区(分别在高速公路两旁2-3Km处),七个收费站,分别布局在七对高速公路服务区附近。七对高速公路服务区、七个收费站所有数据均需上传至所辖分监控中心,分监控中心全部数据,均可由总监控中心调取和实时监控及控制。
1、总监控管理中心:
鄂尔多斯市高速公路视频监控系列光纤传输系统的中心。对下属3个分监控中心,共510路视频图像进行监控管理,以及收费站近20×7路视频,并对区间测速数据控制具备实时检测及控制能力。
2、分监控管理中心:
桩号K19+650点分监控管理中心(A分控中心),A分控中心含74个道路视频监控点,其中A分控中心前端14个,后端59个,旁1个。含2对服务区,每个服务区20个视频摄像机,共80个。其中,2对服务区的桩号分别是:K19+650、K101+830。因此A分控中心视频总量为154路。
桩号K135+100点分监控管理中心(总监控管理中心设置在此分控中心,因此该处称为B总控中心),B总控中心含71个道路视频监控点,其中A分控中心前端9个,后端61个,旁1个。含2对服务区,每个服务区20个视频摄像机,共80个。其中,2对服务区的桩号分别是:K135+100、K189+950。因此B总控中心视频总量为151路。
桩K380+100点分监控管理中心(C分控中心),C分控中心含88个道路视频监控点,其中A分控中心前端70个,后端17个,旁1个。含3对服务区,每个服务区20个视频摄像机,共120个。其中,3对服务区的桩号分别是:K247+200、K313+700、K380+100。因此C分控中心视频总量为208路。
将A、C分控中心通过2芯光纤与管理中心组成星型传输网络,将系统中监控视频图像应用一芯采用智能千兆光网络上传或者调取数据,另外,应用一芯分别从A、C分控中心实时传输任意32路非压缩视频图像至总控中心。鉴于分控中心距总控中心距离长,采取增加节点的方式延长传输距离。该高速公路含7对服务区,7个收费站,均采用智能千兆光网络上传或调取数据,采用一芯光纤。各路段除视频监控以外,另含有交通诱导、区间测速,这些交通诱导采用RS485传输数据,并在视频监控点旁,因此采用在视频监控点设置光端机处,增添RS485传输通道即可,区间测速采用以太网数据传输,因光纤资源有限,仅提供一芯单模光纤,传输节点数量多,因此,采用千兆智能环网以太网光纤收发器传输。
鄂尔多斯市高速公路视频监控系列光纤传输系统采用分布式、多级管理模式,分控中心与总控中心之间用2芯光纤组成星型传输网络,以及分控中心与服务区、收费站之间用1芯光纤也组成智能冗余千兆共享是光网络链路,高速公路传输距离远,监控点分散度高,因此该传输方案采用光电级联方式,应用CWDM波分复用技术解决光纤资源不足,监控点多切分散的问题。该方案分三级信号传输管理,第一级为总控中心,对道路监控图像施行实时监控,全部录像图像数据可全部上传至总控中心,或者任意调取历史时刻图像;第二级为分控中心,分别管理所辖区域各类信号,并向上级总控中心提供该区域所有信号;第三级为服务区、收费站以及道路监控点,服务区将该区监控视频信号及云台控制信号集中管理,收费站将所属监控视频信号集中管理,并通过与服务区共同组建共享式全速千兆智能光网络,向分控中心,以及总控中心上传图像以及其他信号。道路监控点,集中该点视频信号、云台信号及就近的区间测速或交通诱导等数据信号并上传所辖分控中心。三级通信灵活采用光电级联,应用CWDM波分复用技术。以保障下级向上级传输的信号处于稳定高效的状态。
2.2产品应用推荐
本方案着眼于鄂尔多斯市高速公路视频监控系列光纤传输系统的具体需求,依据系统智能型、稳定性、实用性、先进性、可靠性、可扩展性、灵活性和经济性等设计需求,建议视频传输设备采用深圳市光网视科技有限公司的ONV非压缩视频数字电级联光端机、ONV非压缩视频数字光端机、ONV智能冗余式节点光纤收发器设备。
产品应用设计优越性体现在下列几点:
A) 标准化原则:设备的选型、调试、安装等环节都将严格贯彻质量管理条例,完全符合标书和国家、行业的有关标准,确保系统稳定、可靠、安全地运行。
B) 先进性原则:在系统设计中,我们充分考虑图像监控及视频传输技术的发展,参考目前视频监控及图像传输行业的发展水平,确保系统在国内处于领先地位。
C) 安全可靠性原则:系统采用星形网络结构,使用光级联式,采用CWDM波分复用技术,应用不同波长实现各监控点故障并不影响其它监控点及分控中心、总控中心工作状况。使用电级联式,采用业界最先进的光开关技术,电级联技术,电级联将视频信号叠加调制,通过光开关进行故障控制,使监控点故障不影响其他监控点及分控中心、总控中心工作状况。
D) 可扩展性原则:本方案设计时已考虑到系统以后的可扩充性,充分考虑图像业务需求,以及在不增加大量投资的情况下能满足今后较长时间内系统的升级和扩容要求,并为近期和远期系统联网预留了接口。
E) 经济性原则:整个传输系统能够在先进性,开放性,高效性,实用性,可靠性和稳定性方面进行综合平衡,传输系统除了保障图像传输的高实时性,动态稳定的图像业务外,还需具有良好的系统性能价格比。
F) 实用性:方案设计满足监控系统要求,充分考虑到系统图像监控项目的具体使用要求。
G) 易用性原则:控制简单;故障诊断和隔离容易;方便服务。
二、解决方案
3.1方案概述
本传输系统由星型连接级联方式组网,总控中心可实现对道路监控所有图像实时监控并向任意监控点调取图像或其他信息,并可实现统一控制功能,各监控点之间保持独立运行状态,不受其它监控点工作状况的影响,安装简单,维护方便。该系统采用先进的波分复用技术,光开关技术,电级联技术,智能自愈技术,仅仅需要八芯光纤便可实现总控中心通过对其中任一监控点有效地实现监控系统内的图像切换和控制以及收集道路运行所需数据并有效交通诱导。

3.2 系统组成
3.2.1总体结构
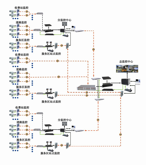
鄂尔多斯市高速公路视频监控系列光纤传输系统采取三级组网方式,根据鄂尔多斯市高速公路实际情况,总控中心为第一级,分控中心为第二级,服务区及道路监控点为第三级,服务区或道路监控点首先收集就近信号,并别分接入该服务区或道路监控点配置的光端机传输设备,在服务区、收费站还可实现本地监看的同时上传监控图像到分控中心。分控中心将服务区及道路监控点汇聚的视频及其他信号集中统一管理,除实现本地监控以外,同时将所汇聚信号接入该分控中心配置的光端机设备。总控中心,将各分控中心上传的信号统一监控。鄂尔多斯市高速公路视频监控系列光纤传输系统的建设包括:监控中心三个(其中一个含“分控中心”和“总控中心”两种功能),服务区7对(三个监控中心分布在14个服务区当中,服务区成对分布 在道路两旁),收费站7个(分别位于服务区附近)。
鄂尔多斯市高速公路视频监控系列光纤传输系统包括了视频信号的接入、传输、控制和其他信号的统一管理,是高速公路监控系统的核心子系统。该项目具有前端点分散、多级传输、分布式管理、线路复杂、保密性要求高等特点,因此视频传输的方式直接决定了整个监控系统的质量和效果。
在本系统中,服务区/收费站、道路监控点、分控中心、总控中心之间的视频传输均采用了光纤作为传输通道。方案中设计的全光数字监控网络,是融合了数字非压缩视频编码技术、光纤专网通信技术、数字矩阵技术、CWMD技术、光级联技术、电级联技术、光开关技术、智能自愈网络技术,针对高速公路监控系统视频传输的特点,实现了全数字传输及交叉切换、前端可扩容等功能,是在传统视频监控联网方式基础上的一次质的飞跃。
3.2.2组网方式
总控中心为第一级,分控中心为第二级,服务区/收费站/道路监控点为第三级。利用已有的光纤为传输通道组成星型分布式传输网络。
采用全光数字监控网络,多级传输和统一管理,在满足并提高了专网传输能力和网络质量的同时,建设起一套独立的监控网络。
1、服务区、收费站将视频信号及控制信号进行集中后,除实现本地监控以为并向上级分控中心上传。道路监控点仅将该点视频信号、控制信号以及其他就近数据信号进行集中到ONV智能冗余式千兆光纤收发器上传至上级分控中心。
2、分控中心将视频信号及其他信号进行集中后,除实现本地监控以外并视频信号及其他信号统一上传总控中心。
3、总控中心通过独立光纤(两芯)与分控中心连接,组成传输网络,实现总控中心与分控中心之间的双向传输。
4、总控中心对图像信号的切换调用、控制和传输,可直接在总控中心调用任意信号并实施相应控制。
系统拓扑图如图1所示:

光纤传输系统结构示意图如图2所示:

区域划分及光纤资源分配示意图如图3:

光纤传输系统道路A区传输方案分图如图4:

光纤传输系统道路B区传输方案分图如图5:

光纤传输系统道路C区传输方案分图如图6:

A、B、C区域设备按以上示意图进行配置。因此依据光级联传输视频数量多,电级联传输节点多距离远,服务区、收费站图像及其他信号上传采用智能冗余节点千兆收发器传输,分监控中心上传总监控中心组建两组千兆全线速光纤网络,采用智能冗余节点千兆收发器传输,应用区间测速采用智能冗余节点千兆收发器传输,在距离超过100km,为保证传输质量采用增设节点方式中继传输。
高速公路收费站信号传输结构图-光端机应用如图7:

高速公路收费站信号传输结构图-光纤收发器应用如图8:

结束语:
自2008年以来中国全面进入“高速公路时代”,全国各地高速公路基础建设连续五年如雨后春笋般各地开花逐步编制出一幅优美的中国高速公路网。进一步提升高速公路物防、技防水平,搭建网络化、高清化与智能化的高速公路视频监控系统成为高速公路基础建设的核心项目之一,其中传输系统的优劣将从根本上影响并决定着整体方案的安全性与实用性。鄂尔多斯高速公路视频监控光纤传输系统设计方案的提出,采用了工业传输方案模式,使得整体方案更具实用性、稳定性。科技是生产的第一原动力,科技的发展,新技术的应用,安全可靠的高速公路传输系统将会更好的促进智能化高速公路管理体系日益完善与成熟。


