Wireless-linked unmanned self-driving cars
The evolution of the radio links for autonomous vehicles has been diverse. Specifications such as 5.9 GHz Digital Short-Range Communication (DSRC) have begun to serve as tolls for vehicle-to-infrastructure (V2I) systems and have been shifted to other infrastructure applications, such as information provided by speed limits, eliminating the need for cameras to detect road signs.
However, the allocation of frequency bands varies across different regions around the world, rather than having widespread infrastructure for V2I with limited autonomous operation using radio technology. Data from roadside units (restricted units) can provide speed limits and other useful information, such as location, speed, and the direction of nearby vehicles, which may help the autonomous control system operate around them. However, data is not always available from one RSU, so other detection systems, such as cameras, can be used for vehicles traveling on unaccessed roads. This is considered to increase development costs and complexity.
The result is that the requirements for the wireless link were not regarded as an independent aspect of vehicle operation until recently. The initial development focused on the autonomous control system, while more recent designs have acknowledged the need for wireless links in many different applications.
These applications download the latest map data, enabling vehicles to precisely know exactly what they need in order to receive traffic information from other vehicles. The wireless link can also use information about 'platooning', allowing vehicles, usually trucks, to maintain a constant distance from each other.

Figure 1: General Motors was the first automaker to implement vehicle-to-vehicle communication using digital short-range technology, starting with the Cadillac CTS model in late 2016.
Although car manufacturers such as General Motors have already adopted DSRC in the 2016 model year for the Cadillac CTS, LTE cellular is also being studied as a possible wireless connectivity technology.
However, the waiting time in the LTE network remains a problem, especially for V2V applications. From the data of one vehicle traveling from the LTE module to the base station, through the operator's network, and then back through the same base station near the vehicle. And between the vehicles that directly use DSRC.

Figure 2: Different applications of DSRC and cellular wireless links, autonomous vehicle (courtesy of NXP).
So no, it is used to provide information and entertainment services for passengers in driverless cars, while the information entertainment subsystem based on the DSRC-V2X sub-system is used to send safety data. The information entertainment subsystem will be built at a certain price, and the V2X sub-system will be built with key features such as encryption, lower latency and reliability.
For instance, Volvo employs the 802.11p wireless technology to directly transmit information from the leading vehicle to the other two vehicles in the same 'column' in Europe, which are three consecutive trucks. This communication system is directly linked to the radar-based adaptive cruise control system to maintain a one-second gap between the vehicles. This enables the following trucks to operate independently.
In the IEEE 802.11p standard, which operates in the 5.9 GHz band (5.850 - 5.925 GHz) with a 75 MHz bandwidth channel, DRSC uses a range of 5.725 MHz to 5.875 MHz. Both of them utilize half of the bandwidth or twice the transmission time, similar to the 802.11a wireless network connection, to enable the reception of processed echo signals from other vehicles or buildings for more reliable reflection.
parameter | 802.11 | 802.11p |
channel bandwidth(MHz) | 20 | 10 |
bit rate(Mbps) | 6, 9, 12, 18, 24, 36, 48, 54 | 3, 4.5, 6, 9, 12, 18, 24, 27 |
OFDM Symbol duration(microsecond) | 4 | 8 |
Guard time(microsecond) | 0.8 | 1.6 |
Duration of the preface(microsecond) | 20 | 40 |
subcarrier spacing(kHz) | 312.5 | 156.25 |
Figure 3: The differences between 802.11a and 802.11p (courtesy of MathWorks).
Although 802.11p is the foundation of DSRC, the systems in Europe are currently not fully compatible. Therefore, standardization is essential to ensure pan-European interoperability.
This DSRC technology is an advancement based on the existing Wi-Fi 802.11ac technology, such as Cypress BCM89359. This is the first Wi-Fi/Bluetooth smart 2X2 MIMO combination chip that supports Royal Synchronous Dual Frequency (RSDB) and an independent tri-mode smart Bluetooth (version 4.2) system chip (SoC). It has been optimized to meet the strict standards and test requirements of the automotive industry under the AECQ100 automotive environmental stress conditions, and is supported by a full production part approval process (PPAP).
The design of this SoC is compatible with Apple CarPlay and Google AutoLink, and it also supports concurrent automotive infotainment and remote information processing operations using two sets of antennas in a 2×2 MIMO architecture with a higher-performance link. For a reliable connection, an 802.11p wireless device also requires a front-end.
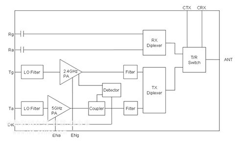
The SE5503A from Skyworks is a complete 802.11a / b / g / n wireless radio frequency front-end module that provides all the functions including the power amplifier, filtering, power detector, T/R switch, duplexer and associated matching.

Figure 4: Skyworks' SE5503 provides all the front-end elements required for the 5GHz DSRC data link.
The SE5503A offers a compact, complete 2.4 and 5GHz WLAN RF solution from the output of the transceiver to the antenna. All RF ports are matched to 50Ω for simplified PCB layout and interface to the RFIC of the transceiver. The SE5503A also includes a 20 dB power detector for each transmitter chain. Each power amplifier has an independent digital enable control for on/off control of the transmitter. The power ramp-up/down time is less than 0.7 microseconds and the front end also covers 3.260-3.267 GHz and precedes each 2.4GHz and 5GHz power amplifier, providing a notch filter for each input of 3.28-3.89 GHz, which is used to remove interference harmonics.
This can be used to enhance the sensitivity of the receiver and the performance of the transmitter, reduce any latency issues and increase the range. If vehicles can obtain data from another compartment over a greater distance, they will have more time to make critical decisions regarding whether to slow down or brake. This capability can also be used to manage traffic by slightly reducing the speed of all autonomous vehicles on the road, in order to reduce or eliminate stop-start traffic conditions.
encryption
There is also an encryption increase in the confirmation for the required wireless links, but there are also multiple different architecture options for implementation. Protecting the wireless links prevents data from being compromised, where hackers can provide false data to the vehicle, for example, convincing it that there is an emergency and it needs to stop the deception. In the LTE system, decryption of the base station encryption has already been processed by the receiver.
Among these, the encryption process becomes a critical issue for system developers when implementing DSRC. The encrypted data packets can either be decrypted at the DSRC receiver or sent to the central controller. Decryption at the receiver end requires more processing power to handle millions of packets while still maintaining low latency. The advantage is that the data packets can then be distributed from the receiving location to different destinations, and messages for map updates can also be sent to the central processing unit for decryption, evaluation, and distribution. This can create a bottleneck where data I/O and bus connections occur on the same network with encrypted and unencrypted data traveling simultaneously. This requires prioritization and adds an additional level of significant complexity to the system architecture.
An alternative solution is to mark as direct decryption and with a lower priority, a scheme that can rely on shorter decoding times for higher-priority packets of data that are dependent on the subsequent decoding. However, this is a problem with the system software.
conclusion
Based on the 5 GHz wireless network and radio frequency front-end design of the autonomous vehicle using 802.11p wireless technology, it can bring extensive opportunities for improving the safety of unmanned vehicles with low latency, by providing RF connections to other adjacent vehicles and roadside units. Other vehicles and roadside network data can provide critical data promptly and efficiently, providing additional safety data to support other sensors. LTE can be used for certain data applications, and developers are looking for the integration of the next-generation 2.5G wireless LTE and Wi-Fi low-latency technology in autonomous vehicles for practical use starting from 2020.
Although the technology is mature, the design plans are still under evaluation, especially regarding safety. Ensuring that all these data and restrictions regarding the share units for vehicle movement are safe is a very important requirement in the development of design and electronic control units, power consumption, and the performance requirements of controllers and networks within the vehicle. This is a crucial issue that is currently being evaluated and will be addressed by autonomous vehicles within the period of 2018 to 2020.
-
2025-10-24 -

What is an Emergency Communication System and How Does It Work?
2025-09-16 -

What Is Point to Point and Point to Multipoint Wireless Network?
2025-09-05 -

What Are the Two Types of Microwave Transmission?
2025-08-29 -

Multi-Node MESH Networking: Principles and Real-World Applications
2025-08-18 -

What Is the Difference Between Radio and Microwave Video Transmission?
2025-07-30 -

Unmanned Aerial Vehicle Transmission Equipment Communication Solution
2025-07-24

